產品分類
聯系我們
北京中泰華旭科技發展有限公司
地址:
北京昌平回龍觀育知東路30號院(13號地鐵回龍觀站對面)
訂購熱線:
010-80742722
010-80746250
010-80745440
傳真:
010-80742755
節假日值班:
13661106446
網址:
www.m.htxyjob.com
Email:
ztgkong@126.com
:
:
:


詳細介紹:
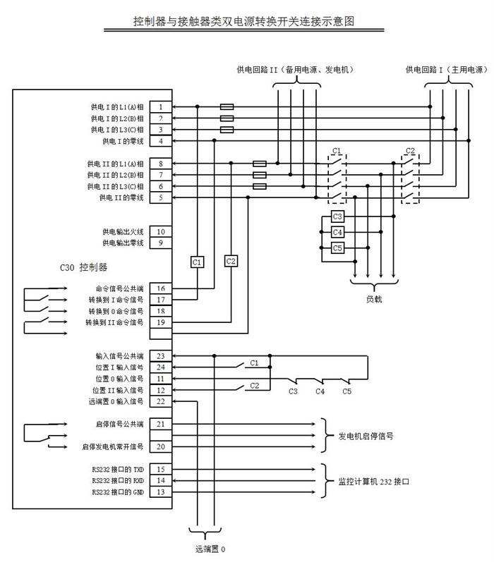
SMICO C30型自動轉換開關控制器是為各種自動轉換開關配套的通用智能控制器,適用于二路市電或市電與油機等雙電源供電場合下的轉換監視與控制。
本產品采用微型控制電腦和數字信號處理技術,配備液晶顯示屏和標準串行通信接口,具備多種控制類型,可以自動和手動操作,能夠同時檢測并顯示每路每相的電壓和油機供電頻率,能夠現場設置和調整報警范圍、時間延時等控制參數,能夠遠程通信遙控開關轉換、遙信開關狀態、遙測供電信息、遙調控制參數。精密超小型化的設計和靈活的操作界面,使得本產品能夠安放在各種配電箱或配電柜上,并能與多種國內外廠家的自動轉換開關配套。

外形實物圖

背部接線端子

接線方式一:用于帶0位置的轉換開關

接線方式二

接線方式三:用于不帶0位置的轉換開關






